スターラー付温調ステージ
スターラーSAMOL
ST-10FV
−10℃〜80℃まで、撹拌しながら保温・保冷
マグネティック撹拌子を回転させてビーカーの中の液体を撹拌し、同時にサーモクーラーにより保温・冷却・加熱することができる、スターラー付きSAMOLです。専用コントローラーにより、冷却板の温度は-10℃〜80℃まで、回転数は最大1200rpmまで(水の場合)調節できます。各種実験や試料製造などの場で、精度と効率アップに役立ちます。
撹拌しながら、 冷却も加熱もできます。
- 撹拌による液体の温度上昇を抑えることができます。
- −10℃〜80℃まで、0.1℃きざみで温度設定が可能。(ステージ温度)
- 回転数は毎分0〜1200rpmまで無段階。(水道水の場合。液体の量や粘度によって変わります)
- ビーカーサイズに合わせて断熱材を取り付け・取り外し可能。
- コネクター1個でコントローラーと簡単接続します。
- 低温から高温までの間で連続的に制御し加熱冷却をすることができます。常温付近でも高精度に温度調節ができます。
-
本商品は専用コントローラーとのセット商品です。
ビーカーは商品に含みません。 -
断熱材の標準セット(オプションで追加可能)
-
内径φ112+φ80mmの断熱材を2段重ねた例
-
左)各ビーカーサイズに合わせて、断熱材の内径を調整できます。
右)断熱材の厚みを調整できます。厚み=1枚20mm×枚数
冷却時間と温度変化の例
断熱材あり/なしでは、ステージ温度で比較し、水温で約3℃の効果がありました。
| 項目 | 規格 | 備考 |
|---|---|---|
| 品名 | スターラーSAMOL | |
| セット型番 | ST-10FV | 本体・コントローラー・付属品を含む |
| 本体型番 | SL-10FV-ST | 本体のみ |
| 専用コントローラー型番 | SL-C7PE2406MST | コントローラーのみ |
| スターラー | DCモーター 0〜1200rpm | 水道水の場合 |
| 温度制御方式 | PT100Ω/デジタル表示PID-PWM制御 | 低温~高温:連続制御 常温設定可 |
| 冷却加熱方式 | ペルチェ素子による | |
| 制御温度範囲 | -5~+80℃ | 周囲温度25℃の時 |
| 設定温度範囲 | -20~+80℃ | |
| 設定精度 | ±0.9℃ | |
| 冷却能力 | 50W | 温度差Δt=0℃、周囲温度25℃時 |
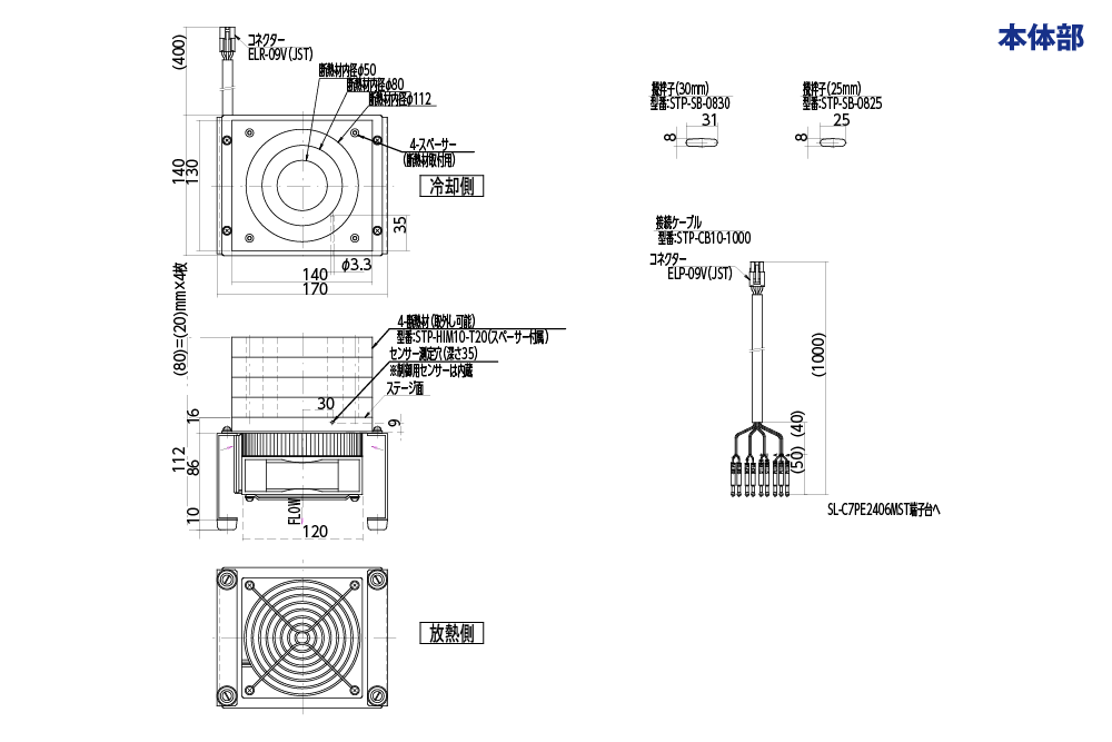
| ステージ寸法 | 120×120mm | |
| ステージ材質 | アルミニウム・アルマイト仕上げ | |
| 適用ビーカー | 10ml(直径30mm)~1000ml(直径110mm) | |
| 環境温度範囲 | -10~+50℃ | ただし結露しないこと |
| 環境湿度範囲 | 35~85%RH | |
| 付属品 | 専用接続ケーブル 1本 | 型番:STP-CB10-1000 |
| 専用電源ケーブル(3m) 1本 | アース線付き2Pプラグ-圧着端子 | |
| 専用断熱材(20mm厚) 4組 | 型番:STP-HIM-T20X4(4組) | |
| 撹拌子 8φ25mm:2個(PTFE樹脂製) | 型番:STP-SB-0825(2個入り) | |
| 撹拌子 8φ30mm:2個(PTFE樹脂製) | 型番:STP-SB-0830(2個入り) | |
| 外形寸法・重量 | 本体:170×140×112(H)mm 2kg | |
| コントローラー:178×250×100(H)mm 2kg | ||
| 騒音値 | 52dB(A) | 側面から1m |
| 期待寿命 | 冷却部 10万時間以上 | 常温常湿にて |
| ファン:3万時間以上 | 常温常湿にて | |
| スターラーモーター:2000時間以上 | 常温常湿にて(1200rpm時) | |
| コントローラー:7年以上 | 常温常湿にて |
- ●仕様、形状、寸法など予告なく変更することがあります。
- ●ステージの上に磁気に反応するものを置くと、回ったり記録が消去されたりする恐れがありますので、置かないでください。
- ●撹拌子は必ずビーカーの中に入れてお使いください。ステージに直接置かないでください。
仕様書、外形図をご希望の方は資料請求/お問い合せページよりご依頼下さい。
- サムネイルのクリックでJPG画像が参照いただけます。ダウンロードボタンをクリックするとCADデータのダウンロードページへ遷移します。
- 本ウェブサイトに掲載の仕様・図面等は、細心の注意を払って掲載しております。製品ご採用の場合は、納入仕様書、納入仕様図にてご確認ください。
また、掲載された情報の誤りやデータのダウンロードなどによって生じた障害などに関しましては、当社は一切責任を負うものではありませんのであらかじめご了承ください
仕様書、外形図をご希望の方は資料請求/お問い合せページよりご依頼下さい。














