2020年9月受注分より、RoHS対応のために、SLシリーズのSL-□WやSL-W□に使用しているホースニップルの材質が変更になりました。真鍮製ニッケルメッキ仕上げがSUS304ステンレス製に変更になります。
直接冷却。物体を直接取り付けて冷却する水冷
- 水冷式の密着冷却用サーモ・クーラー。
- 冷却したいものを置くか、取り付けるかして冷却します。
- 水冷型なのでハイパワー。冷却能力30W/50W/100W/200W。
- 温度調節はサーモコントローラーかサーモセンサーでOK。
- 小型、軽量で、振動、騒音がまったくありません。
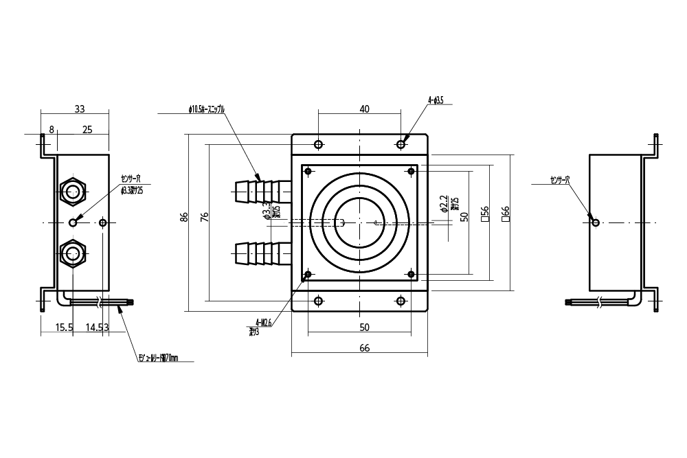
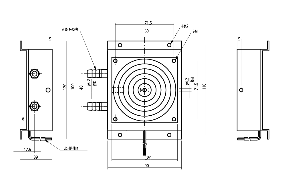
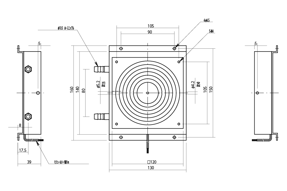
| 型番 | 入力 | 冷却能力(△T=0) | 最大温度差(△t) | 外形寸法 | 重量 |
|---|---|---|---|---|---|
| SL-6W | DC12V3.6A | 30W | 50℃ | 66×86×33mm | 0.25kg |
| SL-10W | DC12V4.2A | 50W | 45℃ | 90×120×39mm | 0.6kg |
| SL-20W | DC24V4.2A | 100W | 45℃ | 130×160×39mm | 1.2kg |
| SL-40WA | DC24V8A | 200W | 45℃ | 190×235×49mm | 3kg |
仕様書、外形図をご希望の方は資料請求/お問い合せページよりご依頼下さい。
CADダウンロード
- データのダウンロードには「イプロスものづくり」へのユーザー登録が必要となります。
- サムネイルのクリックでJPG画像が参照いただけます。ダウンロードボタンをクリックするとCADデータのダウンロードページへ遷移します。
- 本ウェブサイトに掲載の仕様・図面等は、細心の注意を払って掲載しております。製品ご採用の場合は、納入仕様書、納入仕様図にてご確認ください。
また、掲載された情報の誤りやデータのダウンロードなどによって生じた障害などに関しましては、当社は一切責任を負うものではありませんのであらかじめご了承ください
仕様書、外形図をご希望の方は資料請求/お問い合せページよりご依頼下さい。

















