日本ブロアーのサーモモジュール電子冷却システムSAMOLファミリーに、極低温環境を実現するVLシリーズが登場しました。
従来品では-10℃が実現最低温度でしたが、高機能のVL-3F3では-50℃(VL-2F2では-30℃)の冷却面を作り出します。温度管理は専用コントローラーで±0.1℃単位で設定できます。コンプレッサーを使用しないため騒音もありません。
新開発のアクリルカバーによりほとんど結露しない状態で観察することが出来ます。
電子機器、理学や薬学関連の実験や、環境試験などにご活用ください。
-50℃までの低温環境を実現
- 多段カスケードにより従来を大きく上回る極低温を実現
- 低温下の理化学実験やサンプルの急速冷凍に
- 約15分で室温から極低温まで冷却面の温度を下げます
- 専用コントローラーのスイッチだけで、±0.1℃単位の正確な温度管理が可能
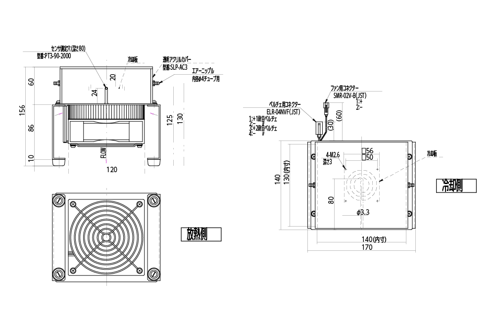
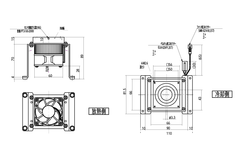
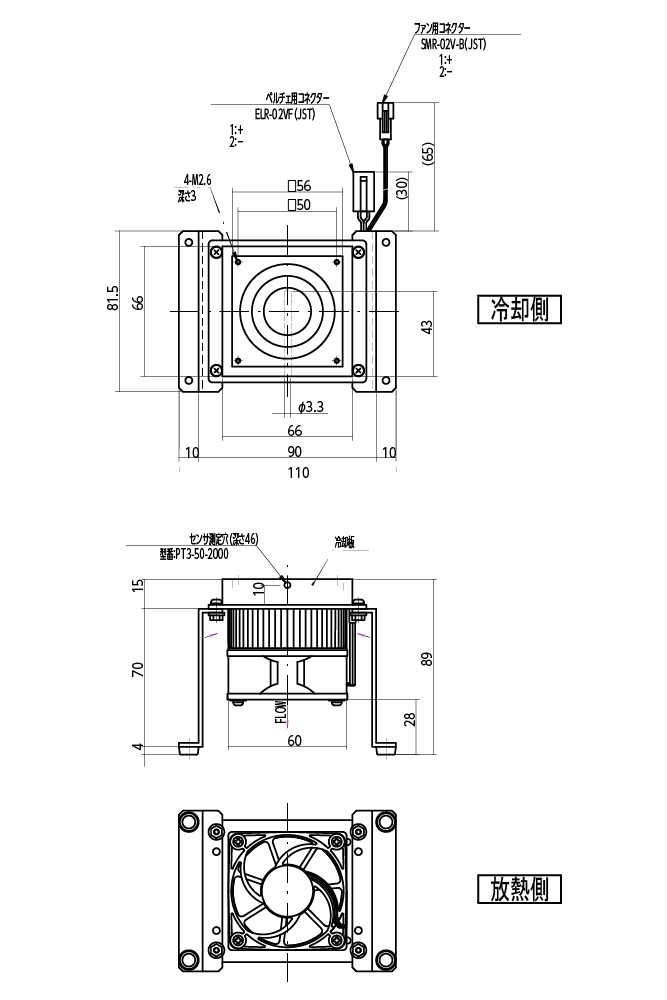
- しっかりサイズ、56mm角の冷却面と20mmの空間
- アクリル天面の二重化により正面の結露を防止します。ドライエアバージを可能にするエアニップル付
- 冷却にコンプレッサーを使わないのでとても静かです
- 24時間連続運転ができます
| 型番 | VL-3F3 | VL-2F2 | |
|---|---|---|---|
| 冷却部 | 方式 | ペルチェ | ペルチェ |
| 電源 | ペルチェ | ペルチェ | |
| 最大到達温度 | −50℃(周囲温度20℃) | −30℃(周囲温度20℃) | |
| 最大温度差 | Δtmax=70℃以上 ※1 | ΔTmax=50℃以上 ※1 | |
| 冷却能力 | Qc=15W以上 ※2 | Qc=12W以上 ※2 | |
| 使用環境 | −10~+60℃、35~85%RH | −10~+60℃、35~85%RH | |
| 冷却板寸法 | 56×56mm | 56×56mm | |
| 大きさ | 170×140×125mm | 110×81.5×89mm | |
| 質量 | 約2.4kg | 約1.8kg | |
| コントローラー部 | 方式 | PID-PWM方式(冷却専用) | PID-PWM方式(冷却専用) |
| 入力電力 | AC.100V 2.5A | AC.100V 1.5A | |
| 通信機能 | RS485準拠 | RS485準拠 | |
| 大きさ | 178×250×100mm | 178×250×100mm | |
| 質量 | 約2.4kg | 約2kg | |
| 測温体 | 種類 | 白金抵抗測温体 Pt.100Ω | 白金抵抗測温体 Pt.100Ω |
| 測温部寸法 | 3.2φ×90mm | 3.2φ×50mm | |
| リード線長 | 2m | 2m | |
| 質量 | 約15g | 約14g | |
| アクリルカバー | 結露防止機能 | 天板2重構造 | 天板2重構造 |
| エアパージ接続口 | 4φ用ニップル 2箇所 | 4φ用ニップル 2箇所 | |
| 大きさ(ニップル含まず) | 146×146×60mm | 72×72×46mm | |
| 質量 | 約140g | 約80g | |
| カバー内用断熱材 | 140×140×10mm 2枚 | 66×66×10mm 2枚 | |
| 接続ケーブル | 長さ | 1m | 1m |
| 質量 | 約110g | 約110g | |
- ※ 本機は、加熱運転は,行えません。別の電源などで反転させた電流を流した場合、故障が発生します。
- ※1 負荷0W、周囲温度20℃、付属断熱材を被せ、冷却板温度測定口で測定した場合。
- ※2 温度差ΔT=0、周囲温度25℃の時。
仕様書、外形図をご希望の方は資料請求/お問い合せページよりご依頼下さい。
CADダウンロード
- データのダウンロードには「イプロスものづくり」へのユーザー登録が必要となります。
- サムネイルのクリックでJPG画像が参照いただけます。ダウンロードボタンをクリックするとCADデータのダウンロードページへ遷移します。
- 本ウェブサイトに掲載の仕様・図面等は、細心の注意を払って掲載しております。製品ご採用の場合は、納入仕様書、納入仕様図にてご確認ください。
また、掲載された情報の誤りやデータのダウンロードなどによって生じた障害などに関しましては、当社は一切責任を負うものではありませんのであらかじめご了承ください
仕様書、外形図をご希望の方は資料請求/お問い合せページよりご依頼下さい。



















