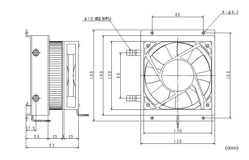
Outline of ‚r‚k[‚Q‚O‚v‚eŠOŒ`}


Introduction of Nippon Blower Co.,Ltd. Introduction of Nippon Blower Co.,Ltd. Introduction of the productsIntroduction of the products

Return to Home page ( Contents of table ) Return to front page